风电头条获悉,11月14日、15日,河北赞皇县发展和改革局、井陉县发展和改革局发布关于对2025年12月底到期和储备库风电光伏项目拟调整情况的公示。
其中,河北赞皇县2025年12月底到期和储备库风电光伏项目拟调整项目共7个,规模合计49.5万千瓦,其中,风电项目19.5万千瓦,光伏项目30万千瓦。
业主涉及华能、国家电投、石家庄泳汇新能源科技有限公司、河北国九科技有限公司、河北春雨农业开发有限公司。


河北井陉县2025年12月底到期和储备库风电光伏项目拟调整项目共6个,规模合计60万千瓦,其中,风电项目15万千瓦,光伏项目45万千瓦。
业主涉及中核集团、国家电投、京能集团、中广核、华电、华能。


公告如下:

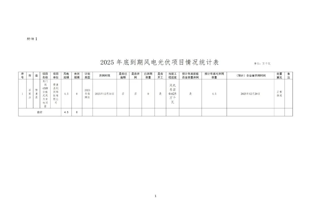
赞皇县发展和改革局关于对2025年12月底到期和储备库风电光伏项目拟调整情况的公示
为进一步加强风电、光伏发电项目管理,我局组织对赞皇县2025年底到期风电、光伏项目和省级储备库风电、光伏项目情况进行了摸底,并结合企业投资积极性、土地资源落实情况、项目前期手续办理及施工进度等研究提出了处置意见。现将相关项目拟调整意见予以公示。具体项目名单及调整意见见附件。
公示时间为2025年11月14日至11月16日。期间,如有异议,请向赞皇县发展和改革局反映。
联系电话:0311—84228003
电子邮箱:zhfgny@163.com
附件:
赞皇县发展和改革局
2025年11月14日



井陉县发展和改革局关于对2025年12月底到期和储备库风电光伏项目拟调整情况的公示
为进一步加强风电、光伏发电项目管理,我局组织对井陉县2025年底到期未建成风电光伏项目和储备库风电光伏项目情况进行了摸底,并结合企业投资积极性、土地资源落实情况、项目前期手续办理及施工进度等研究提出了处置意见。现将相关项目拟调整意见予以公示。具体项目名单及调整意见见附件。公示时间为2025年11月15日至11月17日。期间,如有异议,请向井陉县发展和改革局反映。
联系电话:0311—82022865
电子邮箱:jx2022fg865@163.com
附件:
井陉县发展和改革局
2025年11月15日


来源:赞皇县发展和改革局、井陉县发展和改革局
切换行业





正在加载...



