近日,河南省发展和改革委员会印发《关于实施第十三批源网荷储一体化项目的通知》。
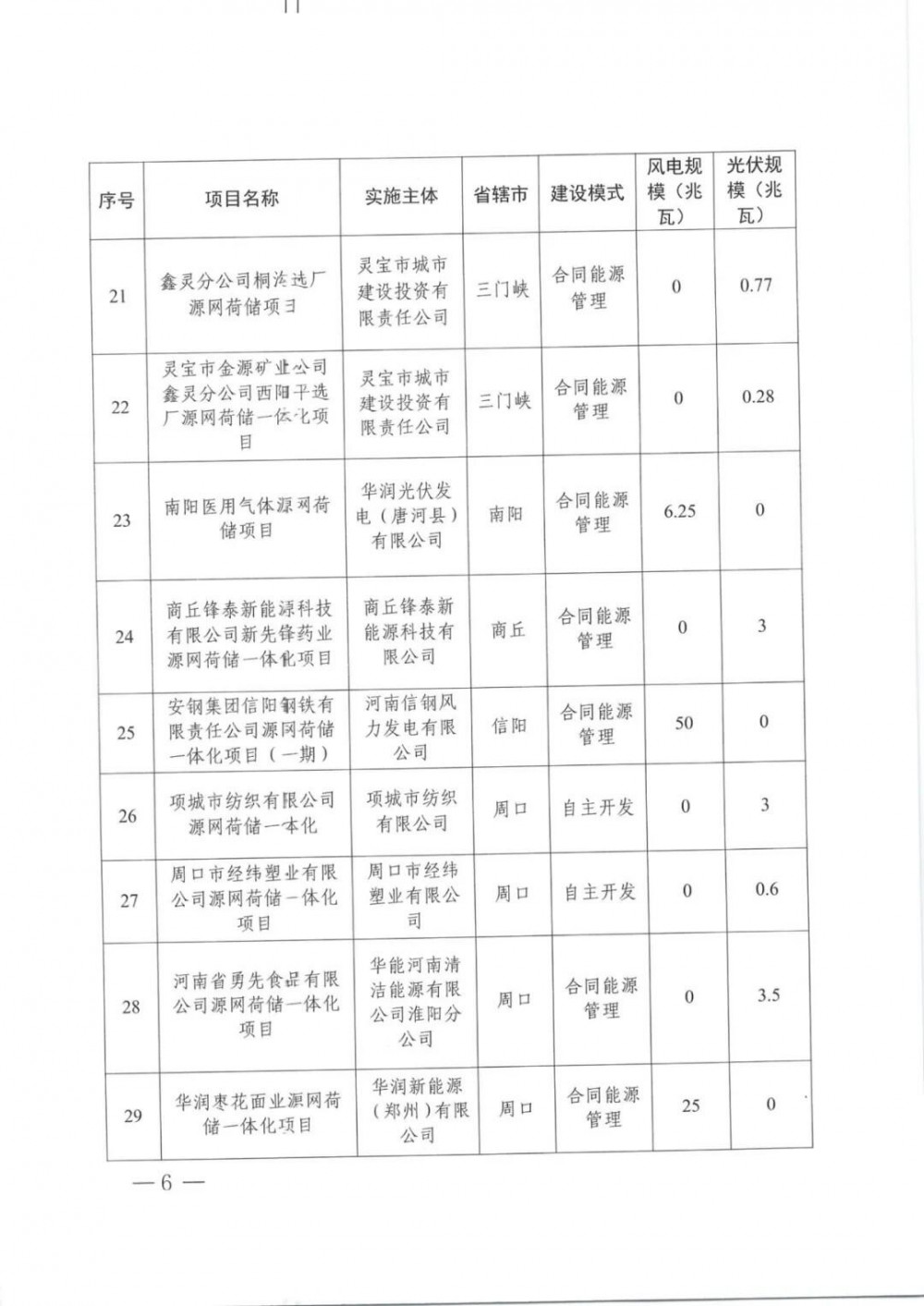
通知显示,本次共45个项目纳入实施范围,其中,工业企业类29个、增量配电网类1个、农村地区类5个、项目信息变更及其他类10个。涉及新能源规模350.82MW,其中风电200.95MW,光伏149.87MW。
原文如下:











日期:2025-10-28 来源:河南省发展和改革委员会
近日,河南省发展和改革委员会印发《关于实施第十三批源网荷储一体化项目的通知》。
通知显示,本次共45个项目纳入实施范围,其中,工业企业类29个、增量配电网类1个、农村地区类5个、项目信息变更及其他类10个。涉及新能源规模350.82MW,其中风电200.95MW,光伏149.87MW。
原文如下:











风电资讯一手掌握,关注 风电头条 储能头条 微信公众号
看资讯 / 读政策 / 找项目 / 推品牌 / 卖产品 / 招投标 / 招代理 / 发文章
风电头条
储能头条
免责声明:本文仅代表作者本人观点,与国际风力发电网无关,文章内容仅供参考。凡本网注明"来源:国际风力发电网"的作品,均为本站原创,转载请注明“来源:国际风力发电网”!凡本网注明“来源:XXX(非国际风力发电网)”的作品,均转载自其它媒体,转载目的在于传递更多信息,并不代表本网赞同其观点和对其真实性负责。
如因作品内容、版权和其它问题需要同本网联系的,请在相关内容刊发之日起30日内进行,我们将第一时间进行删除处理 。联系方式:400-8256-198